Product
Once-Through Steam Boilers
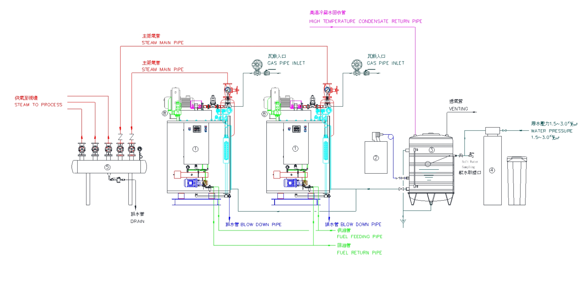
Been Jau steam boiler unique design offers significant operational advantages. These vertical water tube boilers are compact-sized and consume less fuel than typical firetube boilers and while producing steam in 5 minutes or less from a cold start. With minimal footprints and flexible configurations, BJB series can also be installed in linking systems consisting of two or more compact modules in series with steam backup flexibility for fluctuation of large steam.
Omega (ω)
wave flow structure enhances boiler efficiency.
Durable
high tempered welding bead, prevent
pipe cracking from expansion and contraction
Heat conductivity
Unique fin design increases heat transfer performance.
Ensure steam qualityDouble drum steam /water separator offers 99% quality to minimize moisture in steam
Small Footprint
Small footprint compact design, low emission, very quite
Rapid response
Provide full output from a cold start within 5 minutes
Boiler Sequencing Control
- User-Friendly Touchscreen Interface
- Auto/Manual Enable/Disable
- Prompting and alarm messages (not just lights on a panel) provide operators with needed information to quickly assist with troubleshooting
- General alarm contact
- Remote Enable / Disable

Sequence up to 10 boilers

Maximizes Boiler Performance

Boiler Plant Sequencing Control

SMART CONTROL (OPTIONAL)
HMI CONTROL PANEL- Powerful and Intuitive Sequencing Control
- Maximizes Boiler Performance
- Simplifies Commissioning
- Color 7" Touchscreen Display
- Simple and inuitive navigation

